
ÜRÜNLER / AÇIK MERKEZ HİDROLİK AYNALAR - KHC
AÇIK MERKEZ HİDROLİK AYNALAR - KHC
YÜKSEK DEVİRLİ VE HIZLI AYAK DEĞİŞTİRMELİ HİDROLİK AYNALAR - HSQC
ELLE KUMANDALI TORNA AYNALARI
SÜPER HASSAS TEZGAH MENGENELERİ
DÖNER PUNTALAR
SABİT PUNTALAR
PENS AYNASI
GENEL ÖZELLİKLER
TEKNİK ÖZELLİKLER
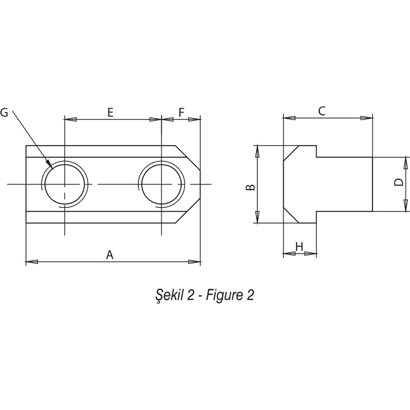
| TS05-K2 | |
| Sipariş Kodu | TS05-K2 |
| A | 26 |
| B | 14,5 |
| C | 15 |
| D | 10 |
| E | 14 |
| G | M8 |
| Şekil | 2 |
| Ayna Modeli | KHC-205 |
| TS06-K1 | |
| Sipariş Kodu | TS06-K1 |
| A | 15 |
| B | 17,5 |
| C | 18,5 |
| D | 12 |
| E | - |
| G | M10 |
| Şekil | 1 |
| Ayna Modeli | KHC-206 |
| TS06-K2 | |
| Sipariş Kodu | TS06-K2 |
| A | 36 |
| B | 17,5 |
| C | 18,5 |
| D | 12 |
| E | 20 |
| G | M10 |
| Şekil | 2 |
| Ayna Modeli | KHC-206 |
| TS08-K1 | |
| Sipariş Kodu | TS08-K1 |
| A | 19 |
| B | 20,5 |
| C | 20,5 |
| D | 14 |
| E | - |
| G | M12 |
| Şekil | 1 |
| Ayna Modeli | KHC-208 |
| TS08-K2 | |
| Sipariş Kodu | TS08-K2 |
| A | 46,5 |
| B | 20,5 |
| C | 20,5 |
| D | 14 |
| E | 25 |
| G | M12 |
| Şekil | 2 |
| Ayna Modeli | KHC-208 |
| TS10-K1 | |
| Sipariş Kodu | TS10-K1 |
| A | 20 |
| B | 23 |
| C | 23 |
| D | 16 |
| E | - |
| G | M12 |
| Şekil | 1 |
| Ayna Modeli | KHC-210 |
| TS10-K2 | |
| Sipariş Kodu | TS10-K2 |
| A | 50 |
| B | 23 |
| C | 23 |
| D | 16 |
| E | 30 |
| G | M12 |
| Şekil | 2 |
| Ayna Modeli | KHC-210 |
| TS12-K11 | |
| Sipariş Kodu | TS12-K11 |
| A | 24 |
| B | 30 |
| C | 30 |
| D | 18 |
| E | - |
| G | M14 |
| Şekil | 1 |
| Ayna Modeli | KHC-212 |
| TS12-K12 | |
| Sipariş Kodu | TS12-K12 |
| A | 24 |
| B | 30 |
| C | 30 |
| D | 21 |
| E | - |
| G | M16 |
| Şekil | 1 |
| Ayna Modeli | KHC-212 |
| TS12-K21 | |
| Sipariş Kodu | TS12-K21 |
| A | 54 |
| B | 30 |
| C | 30 |
| D | 18 |
| E | 30 |
| G | M14 |
| Şekil | 2 |
| Ayna Modeli | KHC-212 |
| TS12-K22 | |
| Sipariş Kodu | TS12-K22 |
| A | 55,5 |
| B | 30 |
| C | 30 |
| D | 21 |
| E | 30 |
| G | M16 |
| Şekil | 2 |
| Ayna Modeli | KHC-212 |
| TS15-K2 | |
| Sipariş Kodu | TS15-K2 |
| A | 73 |
| B | 41,5 |
| C | 41,5 |
| D | 22 |
| E | 43 |
| G | M20 |
| Şekil | 2 |
| Ayna Modeli | KHC-215 |
| TS15-K3 | |
| Sipariş Kodu | TS15-K3 |
| A | 42 |
| B | 41,5 |
| C | 41,5 |
| D | 22 |
| E | - |
| G | M20 |
| Şekil | 3 |
| Ayna Modeli | KHC-215 |
© 2020 Komtaş Makine - Tüm Hakları Saklıdır...








