
ÜRÜNLER / YÜKSEK DEVİRLİ VE HIZLI AYAK DEĞİŞTİRMELİ HİDROLİK AYNALAR - HSQC
AÇIK MERKEZ HİDROLİK AYNALAR - KHC
YÜKSEK DEVİRLİ VE HIZLI AYAK DEĞİŞTİRMELİ HİDROLİK AYNALAR - HSQC
ELLE KUMANDALI TORNA AYNALARI
SÜPER HASSAS TEZGAH MENGENELERİ
DÖNER PUNTALAR
SABİT PUNTALAR
PENS AYNASI
GENEL ÖZELLİKLER
TEKNİK ÖZELLİKLER
| 6" | |
| Sipariş Kodu | HQ-06-Q1-30 |
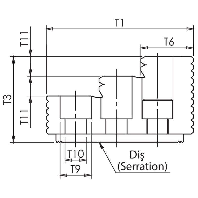
| T1 | 65 |
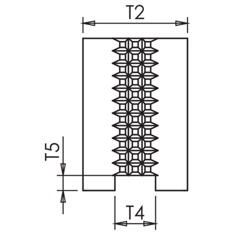
| T2 | 30 |
| T3 | 40 |
| T4 | 12 |
| T5 | 4 |
| T6 | 17 |
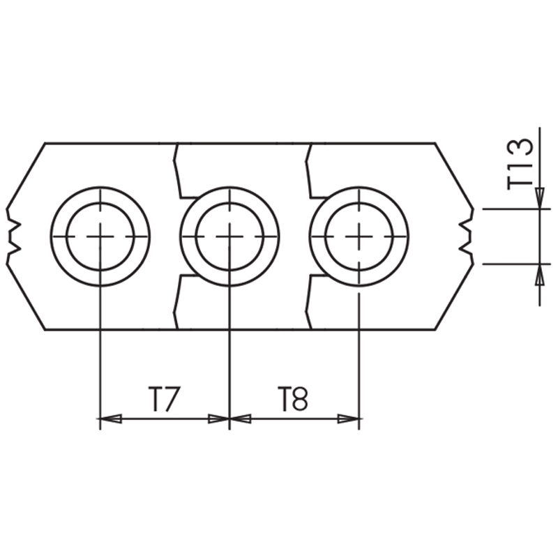
| T7 | 17 |
| T8 | 17 |
| T9 | 17 |
| T10 | 11 |
| T11 | 10 |
| T12 | M10 |
| T13 | 11 |
| Diş | 1,5x60° |
| 3 Ayak Ağırlık (kg) | 1 |
| 8" | |
| Sipariş Kodu | HQ-08-Q1-35 |
| T1 | 77 |
| T2 | 40 |
| T3 | 50 |
| T4 | 14 |
| T5 | 4,5 |
| T6 | 22 |
| T7 | 19 |
| T8 | 19 |
| T9 | 19 |
| T10 | 13 |
| T11 | 11 |
| T12 | M12 |
| T13 | 12 |
| Diş | 1,5x60° |
| 3 Ayak Ağırlık (kg) | 1,8 |
| 10" | |
| Sipariş Kodu | HQ-10-Q1-40 |
| T1 | 77 |
| T2 | 40 |
| T3 | 50 |
| T4 | 16 |
| T5 | 4,5 |
| T6 | 22 |
| T7 | 19 |
| T8 | 19 |
| T9 | 19 |
| T10 | 13 |
| T11 | 13 |
| T12 | M12 |
| T13 | 15 |
| Diş | 1,5x60° |
| 3 Ayak Ağırlık (kg) | 2,7 |
| 12" | |
| Sipariş Kodu | HQ-12-Q1-50 |
| T1 | 105 |
| T2 | 50 |
| T3 | 60 |
| T4 | 18 |
| T5 | 5 |
| T6 | 30 |
| T7 | 25 |
| T8 | 25 |
| T9 | 23 |
| T10 | 15 |
| T11 | 15 |
| T12 | M14 |
| T13 | 30 |
| Diş | 1,5x60° |
| 3 Ayak Ağırlık (kg) | 3,4 |
© 2020 Komtaş Makine - Tüm Hakları Saklıdır...








