• Hassas İş Bağlama Sistemleri

  • Alanında Uzman Kadro

  • Hassas İş Bağlama Sistemleri

ÜRÜNLER / YÜKSEK DEVİRLİ VE HIZLI AYAK DEĞİŞTİRMELİ HİDROLİK AYNALAR - HSQC
 GENEL ÖZELLİKLER
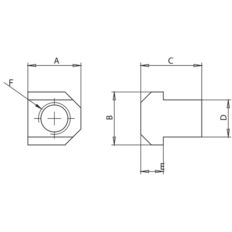
 TEKNİK ÖZELLİKLER
6"
Sipariş Kodu QTS 06
A 16,5
B 17,5
C 21
D 12
E 7,5
F M10

 

8"
Sipariş Kodu QTS 08
A 18,5
B 20,5
C 23,5
D 14
E 9
F M12

 

10"
Sipariş Kodu QTS 10
A 18,5
B 22
C 25
D 16
E 9,5
F M12

 

12"
Sipariş Kodu QTS 12
A 24,5
B 26,5
C 33
D 18
E 13,5
F M14

Adres: Fevzi Çakmak Mh. 10758 Sk. No:1/C 42050 Karatay / KONYA
Tel. : +90 (332) 502 01 35
E-Posta: info@komtasmakine.com.tr

BİZE ULAŞIN

+90 (332) 502 01 35

info@komtasmakine.com.tr