• Hassas İş Bağlama Sistemleri

  • Alanında Uzman Kadro

  • Hassas İş Bağlama Sistemleri

ÜRÜNLER / ELLE KUMANDALI TORNA AYNALARI
 GENEL ÖZELLİKLER

İmalat tezgahları için uygundur. Çünkü bu ayaklar döndürülerek hem düz ayakların hem de ters ayakların görevlerini yaparlar. Ayrıca yumuşak üst ayaklar takılarak da kullanılabilir.
Çelik gövde
Sertleştirilmiş, balansı alınmış yüksek düzey kalitesinde spiral
Kademelendirilmiş, sertleştirilmiş ve taşlanmış ters düz ayaklar
Ayak dış yüzeylerinin her iki tarafı taşlanmıştır.

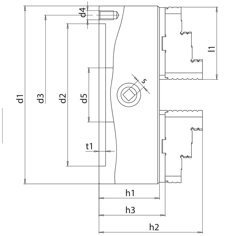
 TEKNİK ÖZELLİKLER
103DNS - 104DNS
Sipariş Kodu 3 Ayak 103DNS
4 Ayak 104DNS
d1 100
d2H6 70
d3 83
d4 3xM8
d5 20
h1 50
h2 80,4
h3 53,4
l1 49
t1 3
s 8
Ağırlık 2,7

 

123DNS - 124DNS
Sipariş Kodu 3 Ayak 123DNS
4 Ayak 124DNS
d1 125
d2H6 95
d3 108
d4 3xM8
d5 32
h1 56
h2 95,4
h3 60,9
l1 58
t1 4
s 9
Ağırlık 4,5

 

163DNS - 164DNS
Sipariş Kodu 3 Ayak 163DNS
4 Ayak 164DNS
d1 160
d2H6 125
d3 140
d4 3xM10
d5 47
h1 66
h2 107,9
h3 69,9
l1 70
t1 4
s 10
Ağırlık 7,8

 

203DNS - 204DNS
Sipariş Kodu 3 Ayak 203DNS
4 Ayak 204DNS
d1 200
d2H6 160
d3 176
d4 3xM10
d5 55
h1 75
h2 121,4
h3 81,9
l1 83
t1 4
s 11
Ağırlık 14,2

 

253DNS - 254DNS
Sipariş Kodu 3 Ayak 253DNS
4 Ayak 254DNS
d1 250
d2H6 200
d3 224
d4 3xM12
d5 76
h1 85
h2 142,5
h3 93
l1 101,5
t1 5
s 12
Ağırlık 24

 

313DNS - 314DNS
Sipariş Kodu 3 Ayak 313DNS
4 Ayak 314DNS
d1 315
d2H6 260
d3 286
d4 3xM16
d5 103
h1 95
h2 155,1
h3 100,6
l1 131
t1 5
s 14
Ağırlık 41,9

 

403DNS - 404DNS
Sipariş Kodu 3 Ayak 403DNS
4 Ayak 404DNS
d1 400
d2H6 330
d3 362
d4 3xM16
d5 136
h1 108
h2 175,2
h3 116,6
l1 159
t1 5
s 17
Ağırlık 79,3

 

ÖLÇÜLER
d1 100
125
160
200
250
315
400
d2 (min) 3
3
3
4
5
10
20
d3 (max) 33
42
68
90
110
145
200
d4 (max) 25
34
42
52
62
80
100
d5 (min) 87
112
154
194
240
299
380

Adres: Fevzi Çakmak Mh. 10758 Sk. No:1/C 42050 Karatay / KONYA
Tel. : +90 (332) 502 01 35
E-Posta: info@komtasmakine.com.tr

BİZE ULAŞIN

+90 (332) 502 01 35

info@komtasmakine.com.tr