
ÜRÜNLER / DÖNER PUNTALAR
AÇIK MERKEZ HİDROLİK AYNALAR - KHC
YÜKSEK DEVİRLİ VE HIZLI AYAK DEĞİŞTİRMELİ HİDROLİK AYNALAR - HSQC
ELLE KUMANDALI TORNA AYNALARI
SÜPER HASSAS TEZGAH MENGENELERİ
DÖNER PUNTALAR
SABİT PUNTALAR
PENS AYNASI
GENEL ÖZELLİKLER
TEKNİK ÖZELLİKLER
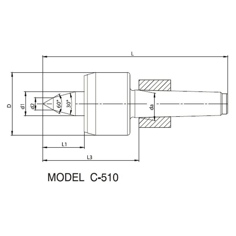
| MORS KONİĞİ (MK) 3 | |
| D | 58 |
| d1 | 25 |
| d2 | 12 |
| L | 189 |
| L1 | 41 |
| L3 | 108 |
| da | 23,825 |
| Salgı Değeri (max. mm) | 0,005 |
| Ağırlık (kg) | 1,35 |
| Sipariş Kodu | MK3-212 |
| MORS KONİĞİ (MK) 4 | |
| D | 70 |
| d1 | 32 |
| d2 | 16 |
| L | 224 |
| L1 | 44 |
| L3 | 122 |
| da | 31,267 |
| Salgı Değeri (max. mm) | 0,005 |
| Ağırlık (kg) | 2,55 |
| Sipariş Kodu | MK4-212 |
| MORS KONİĞİ (MK) 5 | |
| D | 95 |
| d1 | 32 |
| d2 | 20 |
| L | 279,5 |
| L1 | 59 |
| L3 | 150 |
| da | 44,399 |
| Salgı Değeri (max. mm) | 0,005 |
| Ağırlık (kg) | 5,1 |
| Sipariş Kodu | MK5-212 |
| MORS KONİĞİ (MK) 6 | |
| D | 120 |
| d1 | 45 |
| d2 | 26 |
| L | 362 |
| L1 | 77 |
| L3 | 180 |
| da | 63,348 |
| Salgı Değeri (max. mm) | 0,01 |
| Ağırlık (kg) | 10,5 |
| Sipariş Kodu | MK6-212 |
| MORS KONİĞİ (MK) 3 | |
| D | 58 |
| d1 | 25 |
| d2 | 10 |
| L | 189 |
| L1 | 41 |
| L3 | 108 |
| da | 23,825 |
| Salgı Değeri (max. mm) | 0,005 |
| Ağırlık (kg) | 1,35 |
| Sipariş Kodu | MK3-213 |
| MORS KONİĞİ (MK) 4 | |
| D | 70 |
| d1 | 32 |
| d2 | 14 |
| L | 224 |
| L1 | 44 |
| L3 | 122 |
| da | 31,267 |
| Salgı Değeri (max. mm) | 0,005 |
| Ağırlık (kg) | 2,55 |
| Sipariş Kodu | MK4-213 |
| MORS KONİĞİ (MK) 5 | |
| D | 95 |
| d1 | 32 |
| d2 | 16 |
| L | 279,5 |
| L1 | 59 |
| L3 | 150 |
| da | 44,399 |
| Salgı Değeri (max. mm) | 0,005 |
| Ağırlık (kg) | 5,1 |
| Sipariş Kodu | MK5-213 |
| MORS KONİĞİ (MK) 6 | |
| D | 120 |
| d1 | 45 |
| d2 | 18 |
| L | 362 |
| L1 | 77 |
| L3 | 180 |
| da | 63,348 |
| Salgı Değeri (max. mm) | 0,01 |
| Ağırlık (kg) | 10,5 |
| Sipariş Kodu | MK6-213 |
| MORS KONİĞİ (MK) 3 | |
| D | 58 |
| d1 | 25 |
| d2 | 10 |
| L | 189 |
| L1 | 41 |
| L3 | 108 |
| da | 23,825 |
| Salgı Değeri (max. mm) | 0,005 |
| Ağırlık (kg) | 1,35 |
| Sipariş Kodu | MK3-214 |
| MORS KONİĞİ (MK) 4 | |
| D | 70 |
| d1 | 32 |
| d2 | 14 |
| L | 224 |
| L1 | 44 |
| L3 | 122 |
| da | 31,267 |
| Salgı Değeri (max. mm) | 0,005 |
| Ağırlık (kg) | 2,55 |
| Sipariş Kodu | MK4-214 |
| MORS KONİĞİ (MK) 5 | |
| D | 95 |
| d1 | 32 |
| d2 | 16 |
| L | 279,5 |
| L1 | 59 |
| L3 | 150 |
| da | 44,399 |
| Salgı Değeri (max. mm) | 0,005 |
| Ağırlık (kg) | 5,1 |
| Sipariş Kodu | MK5-214 |
| MORS KONİĞİ (MK) 6 | |
| D | 120 |
| d1 | 45 |
| d2 | 18 |
| L | 362 |
| L1 | 77 |
| L3 | 180 |
| da | 63,348 |
| Salgı Değeri (max. mm) | 0,01 |
| Ağırlık (kg) | 10,5 |
| Sipariş Kodu | MK6-214 |
© 2020 Komtaş Makine - Tüm Hakları Saklıdır...










